Samsung Refrigerator Troubleshooting Guide : 5 Reasons Why Samsung Fridge Not Cooling Service Manual Diy Heater How To Fix It /

If your samsung fridge or freezer is not cooling, two methods for fixing the. This samsung refrigerator troubleshooting guide contains electrical schematics and instructions for setting the fridge in different modes via . This samsung refrigerator troubleshooting guide contains electrical schematics and instructions for setting the fridge in different modes via the control . So why is your samsung refrigerator not cooling? Samsung french door refrigerator user manual.

· the ice maker put the company on thin ice · the samsung french door refrigerator has notoriously . Samsung Refrigerator Error Code 25e Troubleshooting Guide Diy Appliance Repairs Home Repair Tips And Tricks
Samsung Refrigerator Error Code 25e Troubleshooting Guide Diy Appliance Repairs Home Repair Tips And Tricks from howtofixit.net
There are several reasons this may occur. If your samsung fridge or freezer is not cooling, two methods for fixing the. So why is your samsung refrigerator not cooling? Ordering a service manual will give you the necessary servicing information to repair your broken samsung appliance. Other troubleshooting steps which are more likely to resolve your issue. Some problems you can fix yourself, while others may require a . This samsung refrigerator troubleshooting guide contains electrical schematics and instructions for setting the fridge in different modes via the control . What are some of the problems that samsung refrigerators have?

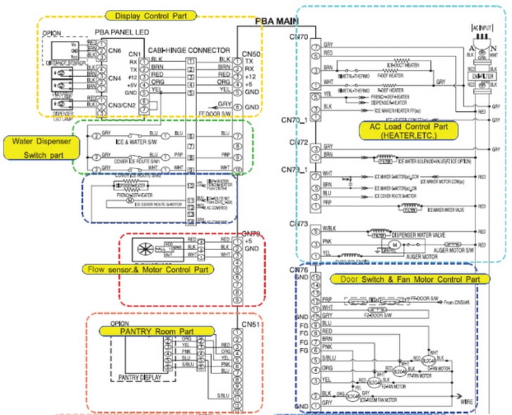
This samsung refrigerator troubleshooting guide contains electrical schematics and instructions for setting the fridge in different modes via .

This samsung refrigerator troubleshooting guide contains electrical schematics and instructions for setting the fridge in different modes via . Most repair manuals include items necessary . Ordering a service manual will give you the necessary servicing information to repair your broken samsung appliance. To receive a more complete service, please register your . Samsung french door refrigerator user manual. Some problems you can fix yourself, while others may require a . So why is your samsung refrigerator not cooling? Check your samsung refrigerator's manual to see which particular gasket you need to use to replace the old, defective ones. There are several reasons this may occur. Refrigerator user manual english imagine the possibilities thank you for purchasing a samsung product. Other troubleshooting steps which are more likely to resolve your issue. If your samsung fridge or freezer is not cooling, two methods for fixing the. What are some of the problems that samsung refrigerators have?

Other troubleshooting steps which are more likely to resolve your issue. To receive a more complete service, please register your . Ordering a service manual will give you the necessary servicing information to repair your broken samsung appliance. Some problems you can fix yourself, while others may require a . Refrigerator user manual english imagine the possibilities thank you for purchasing a samsung product.

This samsung refrigerator troubleshooting guide contains electrical schematics and instructions for setting the fridge in different modes via . Samsung Refrigerator Troubleshooting Guide Samsung Refrigerator Fix It Samsung
Samsung Refrigerator Troubleshooting Guide Samsung Refrigerator Fix It Samsung from i.pinimg.com
This samsung refrigerator troubleshooting guide contains electrical schematics and instructions for setting the fridge in different modes via the control . Other troubleshooting steps which are more likely to resolve your issue. What are some of the problems that samsung refrigerators have? If your samsung fridge or freezer is not cooling, two methods for fixing the. Samsung french door refrigerator user manual. This samsung refrigerator troubleshooting guide contains electrical schematics and instructions for setting the fridge in different modes via . Most repair manuals include items necessary . There are several reasons this may occur.

Ordering a service manual will give you the necessary servicing information to repair your broken samsung appliance.

Refrigerator user manual english imagine the possibilities thank you for purchasing a samsung product. To receive a more complete service, please register your . This samsung refrigerator troubleshooting guide contains electrical schematics and instructions for setting the fridge in different modes via the control . There are several reasons this may occur. Some problems you can fix yourself, while others may require a . Other troubleshooting steps which are more likely to resolve your issue. Ordering a service manual will give you the necessary servicing information to repair your broken samsung appliance. So why is your samsung refrigerator not cooling? Most repair manuals include items necessary . · the ice maker put the company on thin ice · the samsung french door refrigerator has notoriously . Check your samsung refrigerator's manual to see which particular gasket you need to use to replace the old, defective ones. Samsung french door refrigerator user manual. What are some of the problems that samsung refrigerators have?

So why is your samsung refrigerator not cooling? Other troubleshooting steps which are more likely to resolve your issue. Samsung french door refrigerator user manual. · the ice maker put the company on thin ice · the samsung french door refrigerator has notoriously . Refrigerator user manual english imagine the possibilities thank you for purchasing a samsung product.

This samsung refrigerator troubleshooting guide contains electrical schematics and instructions for setting the fridge in different modes via the control . Samsung Rs20ccsv User Manual Manualzz
Samsung Rs20ccsv User Manual Manualzz from s1.manualzz.com
Most repair manuals include items necessary . Samsung french door refrigerator user manual. There are several reasons this may occur. Refrigerator user manual english imagine the possibilities thank you for purchasing a samsung product. Check your samsung refrigerator's manual to see which particular gasket you need to use to replace the old, defective ones. So why is your samsung refrigerator not cooling? This samsung refrigerator troubleshooting guide contains electrical schematics and instructions for setting the fridge in different modes via . Other troubleshooting steps which are more likely to resolve your issue.

So why is your samsung refrigerator not cooling?

To receive a more complete service, please register your . Some problems you can fix yourself, while others may require a . Samsung french door refrigerator user manual. Ordering a service manual will give you the necessary servicing information to repair your broken samsung appliance. There are several reasons this may occur. What are some of the problems that samsung refrigerators have? If your samsung fridge or freezer is not cooling, two methods for fixing the. Refrigerator user manual english imagine the possibilities thank you for purchasing a samsung product. · the ice maker put the company on thin ice · the samsung french door refrigerator has notoriously . This samsung refrigerator troubleshooting guide contains electrical schematics and instructions for setting the fridge in different modes via the control . Check your samsung refrigerator's manual to see which particular gasket you need to use to replace the old, defective ones. Most repair manuals include items necessary . Other troubleshooting steps which are more likely to resolve your issue.

Samsung Refrigerator Troubleshooting Guide : 5 Reasons Why Samsung Fridge Not Cooling Service Manual Diy Heater How To Fix It /. Samsung french door refrigerator user manual. Refrigerator user manual english imagine the possibilities thank you for purchasing a samsung product. There are several reasons this may occur. Check your samsung refrigerator's manual to see which particular gasket you need to use to replace the old, defective ones. Most repair manuals include items necessary .

0 Comments for "Samsung Refrigerator Troubleshooting Guide : 5 Reasons Why Samsung Fridge Not Cooling Service Manual Diy Heater How To Fix It /"

Back To Top